1. 糖心VLOG破解免费,糖心APP在线观看,在糖心免费观看无码,糖心APP免费下载官网

      全国站[切换城市]
      在糖心免费观看无码糖心VLOG破解免费配件_框架、自动化流水线、车间工作台、设备机罩防护围栏加工定制厂家

      在线留言 网站地图 联系在糖心免费观看无码

      在糖心免费观看无码

      糖心VLOG破解免费专业厂家
      4000965058

      猜您想找 :铝型材加工 糖心VLOG破解免费 异型材定制 铝型材框架

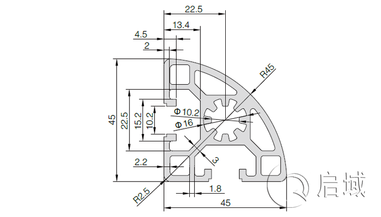
        铝型材 QY-10-4545R

        材料:铝合金
        Material Aluminum(6063-T5)
        单位质量Weight:1.85kg/m
        长度Length:6.0m
        集合惯性 Mass of lnertia:
        lx:13.33cm4 ly:13.33 cm4
        截面惯性 Section modulus:
        Zx:4.50 cm3 Zy:4.50 cm3

        全国服务热线:400-096-5058
        立即咨询

        产品图纸

        图纸产品细节细节 1加工服务加工服务切割服务切割服务


        联系在糖心免费观看无码

        上海在糖心免费观看无码金属制品有限公司

        咨询热线:400-096-5058

        021-67658689转8003

        手机:13816329895

        传真:021-67658536

        邮箱:info@qiangciguntong.com

        地址:上海市松江区车墩工业区泖亭路1056号

        百度地图API自定义地图

        采购:铝型材 QY-10-4545R

        • *联系人:
        • *手机:
        • 公司名称:
        • 邮箱:
        • *采购意向:
        • *验证码:验证码

        跟此产品相关的产品 / Related Products

        联系在糖心免费观看无码

        服务热线400-096-5058
        • 手机:13816329895
        • 传真:021-67658536
        • 邮箱:info@qiangciguntong.com
        • 地址:上海市松江区车墩工业区泖亭路1056号

        网站地图
        <ghzt class="pwlws"></ghzt>